Riadiaca jednotka FADINI ELPRO 37

- Kompletné špecifikácie
- Hodnotenie 0
- Na stiahnutie
Riadiaca jednotka FADINI ELPRO 37Skladom u dodávateľa odosielame do 5 dní246 EUR/ ks200 EUR bez DPH
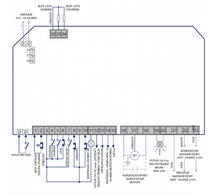
Elektronická riadiaca jednotka pre posuvné brány.
Automatický, poloautomatický režim, funkcia krok-za-krokom, funkcia mŕtvy muž, otváranie priechodu pre peších a blikanie pred uvedením do chodu.
Intuitívne nastavenie pomocou triméru a dip-prepínača: napájanie elektrického zámku, možnosť pripojenia externých hodín, elektronická brzda, signalizácia stavu automatizácie. Automatická kontrola svetelných závor (DSA), automatická kontrola bezpečnostných líšt (DACS), možnosť pripojenia semaforu s až troma svetlami. Jednofázové a trojfázové napájanie. Rozmery krytu 210×295×110 mm. Stupeň ochrany IP 64. Prevádzková teplota –20 °C +55 °C.
Parametre:
| Jednofázové napájanie dosky | 230 ±10% 50/60 | [V ac - Hz] |
| Max. výkon motorov | 750 / 1.200 | [W] |
| Výstup bezpečnostného svetla | Relé 12 | [V dc - mA] |
| Výstup fotobuniek/spínača/rádio. prijímača | 24 | [V dc - mA] |
| Výstup signalizačnej kontrolky | 24 - 3 max | [V dc - W] |
| Výstup kontroly DSA | 24 | [V dc - mA] |
| Výstup výstraž. majáku | 230 - 25 max | [Vdc|ac - W] |
| Pracovný čas | 0 - 120 | [s] |
| Čas pauzy | 1 - 220 | [s] |
| Doba otvorenia priechodu pre peších | 1 - 45 | [min] |
| Trojfázové napájanie dosky | 400 ±10% 50/60 | [V ac - Hz] |

